首頁 > 新聞中心 > 正文

被瓷磚切割片加工的瓷磚板上牆承載形式——背栓式

【發布時間】2026-03-24 19:43:17 【來源】 【作者】Admin 【瀏覽量】


通常,被瓷磚切割片加工完成的瓷磚板,上牆的形式有兩種,分別是背栓式和扣側槽式,下麵要了解的是背栓式。

 

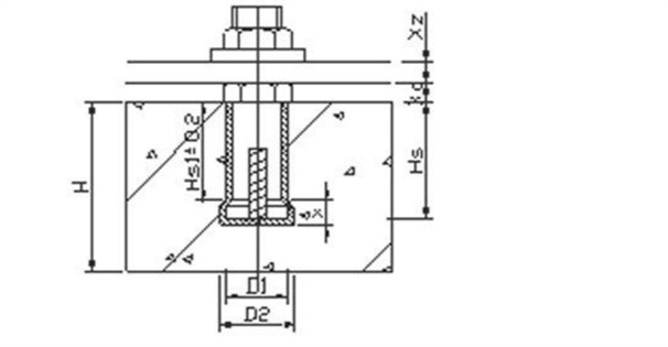
1.背栓式又分為三種:壓鉚式、旋入式、背栓鑽孔技術

(1)壓鉚式:通過專業壓鉚設備張開尾部

 

被瓷磚切割片加工的瓷磚板上牆承載形式——背栓式 

(2)旋入式:直接螺杆旋入

被瓷磚切割片加工的瓷磚板上牆承載形式——背栓式 

(3)背栓鑽孔技術

被瓷磚切割片加工的瓷磚板上牆承載形式——背栓式 

 

2. 背栓式瓷磚板加工要求

(1)被瓷磚切割片加工的瓷磚板應該在專業的機械設備上進行,設備上的技工精度應該滿足設計精度要求


(2)瓷磚板應該無開裂


(3)瓷磚板的長度、寬度、厚度、直角、異形角等都應該符合設計要求,允許偏差度為±1.0mm


(4)瓷磚板的表麵和色澤應符合設計要求,花紋圖案應按照樣板檢查,不得有色差


(5)釉麵瓷磚板和毛麵瓷磚板應按照樣板檢查表麵均勻程度


(6)瓷磚板開孔過程中應采取清水或其他對瓷磚板無汙染的水性溶劑進行潤滑和冷卻

 

以上就是對被瓷磚切割片加工的瓷磚板上牆承載形式——背栓式的相關了解。

 

相關文章: